티스토리 뷰

지게차 운전기능사 국가기술자격 실기시험의 코스운전 및 작업에 대하여 간략이 요약해 보았습니다. 실기시험을 준비하시는 분들에게 추천드립니다.
목차
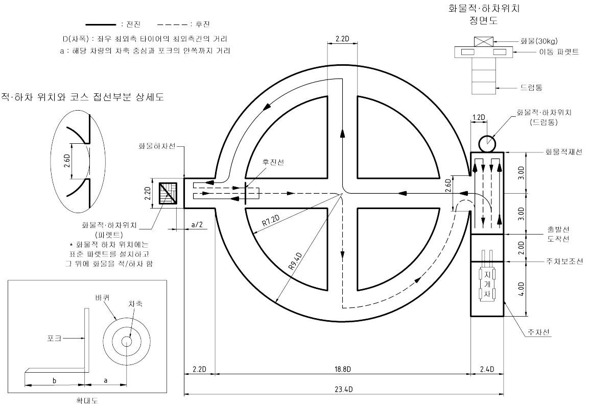
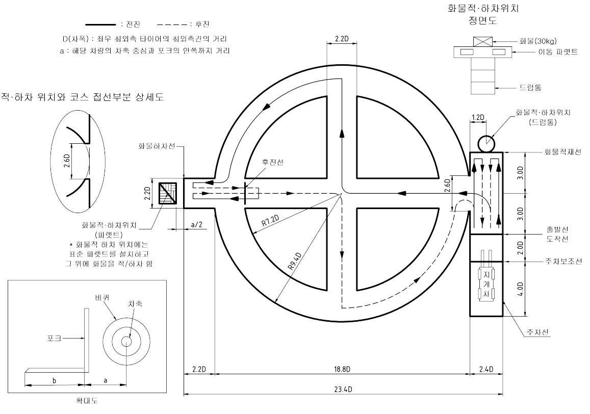
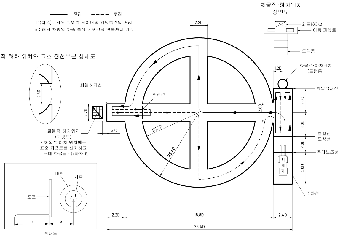
1. 실기주행 코스 평면도
실기주행코스의 평면도입니다.
지게차는 출발지점에서 주행 시작하여, 최종주행 완료도 같은 자리에 주차하면서 마무리됩니다.

2. 실기시험 배점과 제한시간
배점과 제한시간입니다.
| 화물하차작업배점 | 화물상차작업배점 | 제한시간 |
| 55점 | 45점 | 4분 |
합부기준은 실격이나 기권을 하지 않은 조건에서 점수를 60점 이상 얻어야 합니다.
실격항목은 다양하게 있습니다. (4. 수험자 유의사항 참조)
감점항목도 복장규정준수여부, 안전벨트착용여부, 포크높이 조작, 틸트사용여부 등 다양합니다.
3. 실기시험 주행코스 순서
실기시험 주행은 도면의 코스에 따라 아래 순서대로 작업을 합니다.

1). 화물 상차작업 및 주행하기
- 감독위원의 출발신호 수신호 후
- 포크 수평상태 지면에서 20~30 cm 상승하여 전진 출발선 통과
- 드럼통 위 팔레트 상차
- 후진하여 포크 높이를 지면에서 20~30cm로 하강
- 전진코스로 주행
2). 화물 하차 및 상차작업하기
- 팔레트 위에 싣고온 파레트 하차
- 후진하여 포크 하강시켜 후진선에 터치
- 다시 전진하여 내려놓은 파레트 상차
3). 후진 주행 및 장비 원 위치하기
- 포크높이를 낮춘 후 후진하여 코스 주행
- 최초 상차위치 드럼통 위에 파르트 하차 후 포크 낮춘다
- 후진하여 지게차를 최초 출발지점에 주차 후 포크를 내려놓음
4. 수험자 유의사항
1). 시험위원의 지시에 따른다
2). 시험 시작 전 음주측정 : 거부 시 응시불가
3). 규정된 작업복장 착용 : 피부가 드러나지 않는 긴소매상의와 하의, 안전화 혹은 운동화 착용
4). 휴대폰 및 시계류 휴대 및 장착금지
5). 운전 중 이상 감지 시 중단 후 시험위원에게 알림
6). 안전수칙 준수철저 및 안전사고 방지
7). 주행 시 포크높이 준수 (지상에서 20~30cm)
8). 준비완료 후 시험감독원 출발신호에 따라 시작
(단, 시험시간 측정은 앞바퀴 기준으로 출발/도착 선 통과 시점측정)
9). 작업구역(1) : 화물 적. 하차 위치(드럼통)
작업구역(2) : 화물 적.하차 위치(팔레트)
주차구역 : 주차보조선으로부터 주차선까지 이며, 나머지는 주행구간임
10). 채점 제외 대상 (기권이나 실격)
- 수험자 본인이 기권하는 경우
- 운전미숙으로 안전사고 발생 우려 시
- 시간초과 시
- 요구사항 및 코스대로 운전하지 않을 경우
- 출발신호 후 1분 내에 출발선을 통과하지 못한 경우
- 조작미숙으로 엔진 정지 된 경우
- 포크가 지면에 닿은 상태로 출발선/도착선까지 주행한 경우
- 코스의 라인을 터치하는 경우
(단, 후진선은 해당 없고, 출발선/도착선은 화물 적재 시에만 라인터치 적용) - 화물이나 팔레트를 낙하하는 경우
- 드럼통을 넘어뜨리거나 팔레트를 파손하는 경우
- 포크로 드럼통을 터치하는 경우
- 최초 상차할 파레트 상차 없이 작업구역을 벗어나는 경우
- 작업구역, 주행구간에서 포크 및 팔레트가 지면에 닿는 경우
- 포크 후진선 터치 동작 시 후진선 외의 지면에 터치한 경우
- 주행구간에서 포크높이가 50cm를 초과하는 경우
(단, 작업구역 내에서는 제외) - 팔레트를 작업구역(2) 팔레트 위에 놓았을 때 가로/세로 20cm 이상 초과하여 내린 경우나 밀린 경우
- 상하차 시 포크로 표준팔레트가 밀린 경우
- 이동팔레트에 포크가 20cm 초과하여 덜 삽입한 경우
(주행 후 이동팔레트가 포크에서 벗어난 경우도 포함)
이상으로 지게차 운전기능사 자격시험 내용을 알아보았습니다. 실기시험에 관심이 있으신 분은 잘 읽어보시기고 시험에 대비하시기를 추천드립니다.
'건설기계 중장비' 카테고리의 다른 글
| 지게차 운전 기능사 자격 국비지원 알아보기 (0) | 2024.03.28 |
|---|